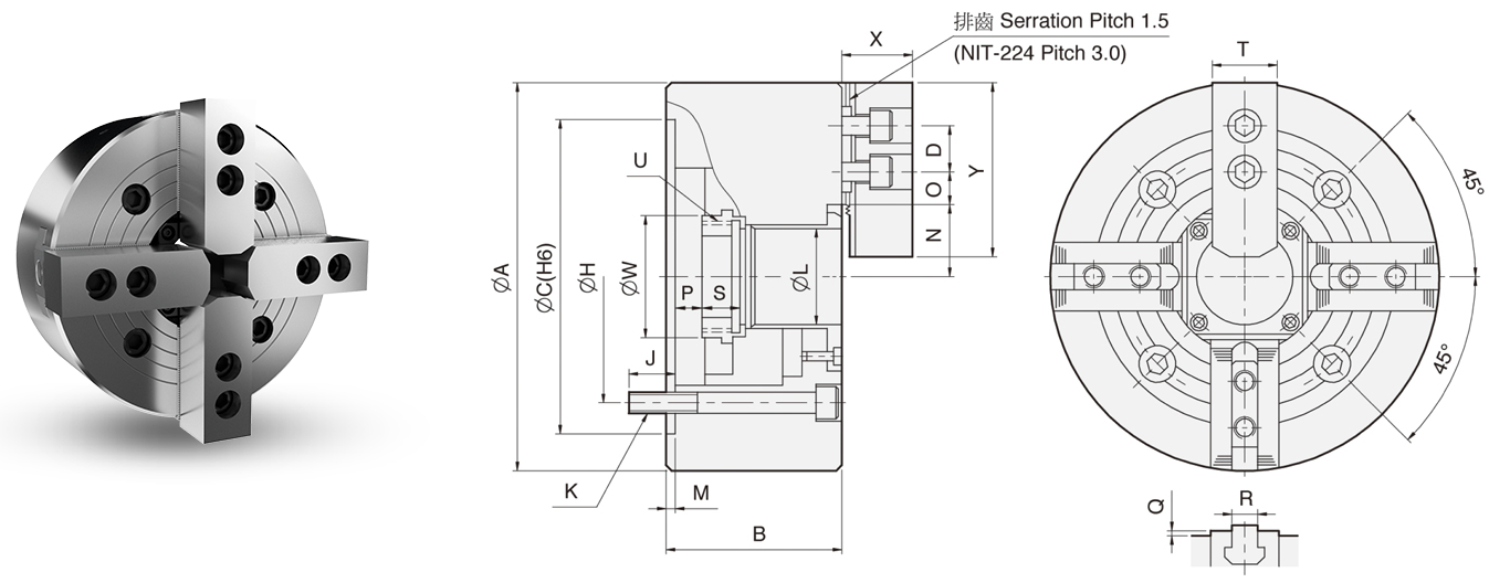
NIT-200 Power Chuck

(adapter excluded)
- All sliding surfaces are hardened and ground for accurate actual running and long service repeatability. Lubrication nipple in each master jaw.
- Master jaw : 1.5mmx60° serration.
- Mounting : Adaptor mounting to fit with DIN, ISO, BS, ASA B5.9 type A spindles.
| Through-Hole (mm) |
Plunger Stroke (mm) |
Jaw stroke (In Dia.) (mm) |
Max. Pull Force (kgf) |
Max. Gripping Force (kgf) |
Max. Operating Pressure (kgf / cm²) |
Max. Speed (r.p.m.) |
Weight (kg) |
Moment Of Inertia I (kg.m²) |
Matching Cylinder |
Matching Hard Jaw |
Matching Soft Jaw |
Gripping O.D. Range (mm) |
SPEC Part Number | Price Each |
| Ø45 | 12 | 5.5 | 2243 | 5812 | 28.5 | 4500 | 13.7 | 0.058 | M1246 | HJ06 | HC06 | Ø15-Ø169 | NIT-206 | Call or Email |
| Ø52 | 16 | 7.4 | 3558 | 9075 | 26.5 | 3600 | 24 | 0.177 | M1552 | HJ08 | HC08 | Ø20-Ø210 | NIT-208 | Call or Email |
| Ø75 | 19 | 8.8 | 4385 | 11319 | 27.5 | 3200 | 36 | 0.324 | M1875 | HJ10 | HC10 | Ø25-Ø254 | NIT-210 | Call or Email |
| Ø91 | 23 | 10.6 | 5812 | 14990 | 27.5 | 2700 | 58.5 | 0.763 | M2091 | HJ12 | HC12 | Ø30-Ø304 | NIT-212 | Call or Email |
| Ø117.5 | 23 | 10.6 | 7240 | 18355 | 23.5 | 1900 | 114 | 2.331 | M2511 | HJ15 | HC15 | Ø50-Ø381 | NIT-215 | Call or Email |
| Ø117.5 | 23 | 10.6 | 7240 | 18355 | 23.5 | 1500 | 140 | 3.798 | M2511 | HJ15 | HC15 | Ø50-Ø450 | NIT-218 | Call or Email |
| Ø205 | 26 | 12 | 9177 | 23861 | 26.5 | 1000 | 284 | 15.2 | ML3320 | HJ24-1 | HC24-1 | Ø150-Ø610 | NIT-224 | Call or Email |
| A | B | C (H6) |
D | H | J | K | L | M | N max. |
O max. |
O min. |
P max. |
P min. |
Q | R | S | T | U max. |
W | X | Y | DIM Part Number | Price Each |
| 169 | 81 | 140 | 20 | 104.78 | 16 | 4-M10x80 | 45 | 5 | 32 | 22.75 | 9.25 | 11 | -1 | 2 | 12 | 19 | 31 | M55x2 | 60 | 37 | 73 | NIT-206 | Call or Email |
| 210 | 91 | 170 | 25 | 133.35 | 20 | 4-M12x90 | 52 | 5 | 38.7 | 29.75 | 11.75 | 14.5 | -1.5 | 2 | 14 | 20.5 | 35 | M60x2 | 66 | 38 | 95 | NIT-208 | Call or Email |
| 254 | 100 | 220 | 30 | 171.45 | 22 | 4-M16x100 | 75 | 5 | 51 | 33.75 | 14.25 | 8.5 | -10.5 | 2 | 16 | 25 | 40 | M85x2 | 94 | 43 | 110 | NIT-210 | Call or Email |
| 304 | 110 | 220 | 30 | 171.45 | 23 | 4-M16x110 | 91 | 6 | 61.3 | 45.75 | 15.75 | 8 | -15 | 2 | 21 | 28 | 50 | M100x2 | 108 | 51 | 130 | NIT-212 | Call or Email |
| 381 | 133 | 300 | 43 | 235 | 30 | 4-M20x135 | 117.5 | 6 | 82 | 45.25 | 15.25 | 7 | -16 | 5 | 22 | 43 | 62 | M130x2 | 139 | 66 | 165 | NIT-215 | Call or Email |
| 450 | 133 | 300 | 43 | 235 | 30 | 4-M20x135 | 117.5 | 6 | 82 | 79.75 | 15.25 | 7 | -16 | 5 | 22 | 43 | 62 | M130x2 | 139 | 66 | 165 | NIT-218 | Call or Email |
| 610 | 147 | 520 | 60 | 463.6 | 35 | 8-M24x150 | 205 | 6 | 139.9 | 87.5 | 24.5 | 16 | -10 | 5 | 25 | 38 | 64 | M215x3 | 230 | 73 | 180 | NIT-224 | Call or Email |